Замо́к
Античные З. в большинстве своём основаны на том, что задвинутый снаружи с помощью ремня засов можно возвратить в прежнее положение только при наличии подходящего ключа. Поскольку дверь должна была запираться туго, то ключ, действовавший как рычаг, был огромных размеров. Самым др. сохранившимся ключом является ключ 6 в. до н. э. от храма Артемиды в Лузах (Аркадия) длиной 50 см. Мастера постоянно стремились уменьшить размеры ключей. Это удалось сделать на рубеже 5–6 вв. до н. э. с помощью лакедемонского «З.-жёлудя», в котором колодка в форме жёлудя (греч. balanos – жёлудь) способствовала запиранию двери; её можно было поднять с помощью ключа и отвести в сторону. Вскоре кол-во колодок было увеличено, чтобы обеспечить бо́льшую безопасность против отмычек. В Риме до сих пор двери двух зданий запираются античными З. (в Пантеоне и в церкви св. Космы и Дамиана, др. храме Максенция). Позднее З. стали ставить также на ларцах и редко используемых шкафах.

Замо́к.
Античный дверной замок.
Слева: открытый, справа: закрытый

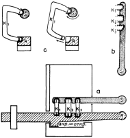
Замо́к.
Лакедемонский замок тина «жёлудь»:
R – задвижка;
S – ключ;
K – колодки с различно укреплёнными «желудями»;
а. замок, вид спереди;
b. ключ, вид сверху;
с. принцип действия.
Ключ захватывает «жёлудь» I и слегка приподнимает его путём вращения; колодки отходят в сторону и «жёлуди» ІІ освобождают задвижку
